Qingdao Honest Environmetal Protection & Technology Co.,Ltd
Provide Full Packaging Solution For Global Customers
0532-86198866
If you have any questions about our products and services, please contact us at any time
誠信守法企業
高新技術企業
企業技術企業
清潔生產企業
專精特新示企業
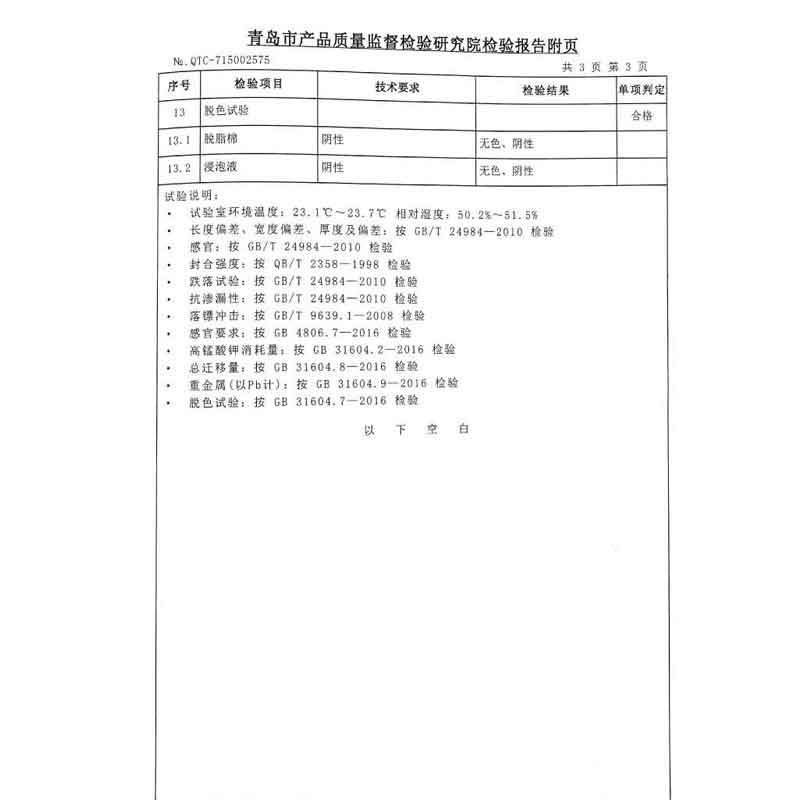
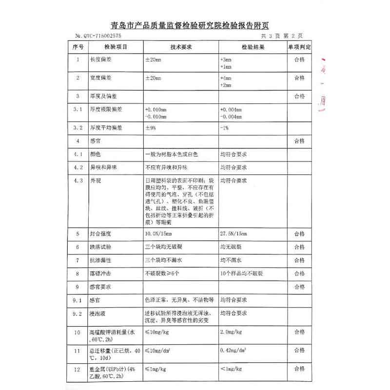
檢測報(bào)告(gào)
檢測報告
檢(jiǎn)測報告
檢測報(bào)告